Beim Arbeiten mit Mikrocontroller kommt man immer an einem Punkt an, an dem noch ein Port benötigt wird.
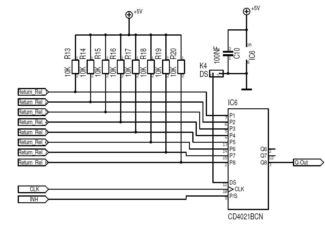
Im nachfolgenden Beispiel wollen wir Ihnen zeigen wie Sie mit einem preisgünstigen CD 4021 eine sehr variable Porterweiterung als Eingabeport realisieren können.
Dieses Bespiel beinhaltet eine gut lesbare und umsetzbare Basicsoftware auf Basis von BasCom.
Die Software kann aber auch leicht für andere Systeme verwendet werden.

Nun zur Software:
Die Software gibt einen kurzen Impuls auf die INH Leitung, welches ein Clear für den Chip darstellt.
Hiernach müssen nur noch die acht Clocksignale auf den Chip mit der entsprechenden
Abfrage von Q-Out Abfrage übertragen werden.
Noch ein Wort zum DS Eingang des Chips, dieser kann verwendet werden um mehrere
CD 4021 parallel zu schalten.
Hierzu muss der Ausgang Q-Out des Chip nicht mit dem Prozessor sondern mit DS verbunden
werden und schon werden aus 8, 16-Eingänge usw.